
Southern Company
ECO2S
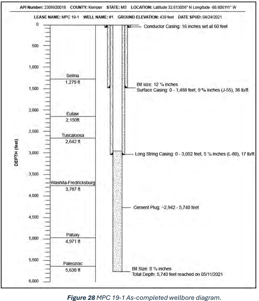
The Kemper County Storage Complex, led by Mississippi Power Company (a subsidiary of Southern Company), was proposed as a large-scale CO₂ storage project in Kemper County, Mississippi, adjacent to Plant Ratcliffe. The project planned to capture post-combustion CO₂ from the natural gas-fired unit at Plant Ratcliffe and inject it into the Lower Cretaceous Paluxy Formation, a thick sandstone reservoir located more than 5,000 feet deep. Two injection wells—MPC 19-2 and MPC 32-1—were proposed, with long-term plans to store over 50 million metric tons of CO₂ across a 30-year injection period. Six prior characterization wells (drilled between 2017 and 2021) provided detailed geologic, core, and fluid data that confirmed the suitability of the Paluxy reservoir and the sealing capacity of the overlying Tuscaloosa Marine Shale and other confining units. The project was developed under the DOE CarbonSAFE program, managed by the Southern States Energy Board (SSEB) and Advanced Resources International (ARI), with Mississippi Power serving as site host and operator. It was intended to be a regional storage hub supporting Southern Company’s carbon reduction goals and could have provided storage options for other power plants and industrial facilities in the Southeast. Operational plans anticipated injection rates of roughly 0.7–0.9 million tonnes per year of captured CO₂ from Plant Ratcliffe, with a maximum permitted wellhead injection rate of ~3,973 tonnes/day per well. The project was ultimately withdrawn and did not proceed to permitting or construction.
City
Bailey
Country
United States of America
Region
us
Gov funding
$28,239,222
Full Project Overview
All key information and technical data related to this project
Overview
Wells
Data for injection rates, perforation, and other well-related metrics.
MPC 19-2
MPC 32-1
MPC 26-5
MPC 34-1
MPC 10-4
MPC 01-1
MPC 19-1
MPC 03-1
Geology
Subsurface data for carbon storage.
Paluxy
* Graph availableProject Documents
Technical, design, and planning materials outlining the project’s scope, development approach, and implementation details.
Permitted Documents
Official approval, consent, and compliance documents issued by authorities, confirming the project is authorised to proceed.